Maintenance and Training
At IAX Canada
We believe that our client's ongoing success is intrinsically linked to the optimal performance of their ice rink facilities.
Proactive Maintenance and Real-Time Monitoring
-
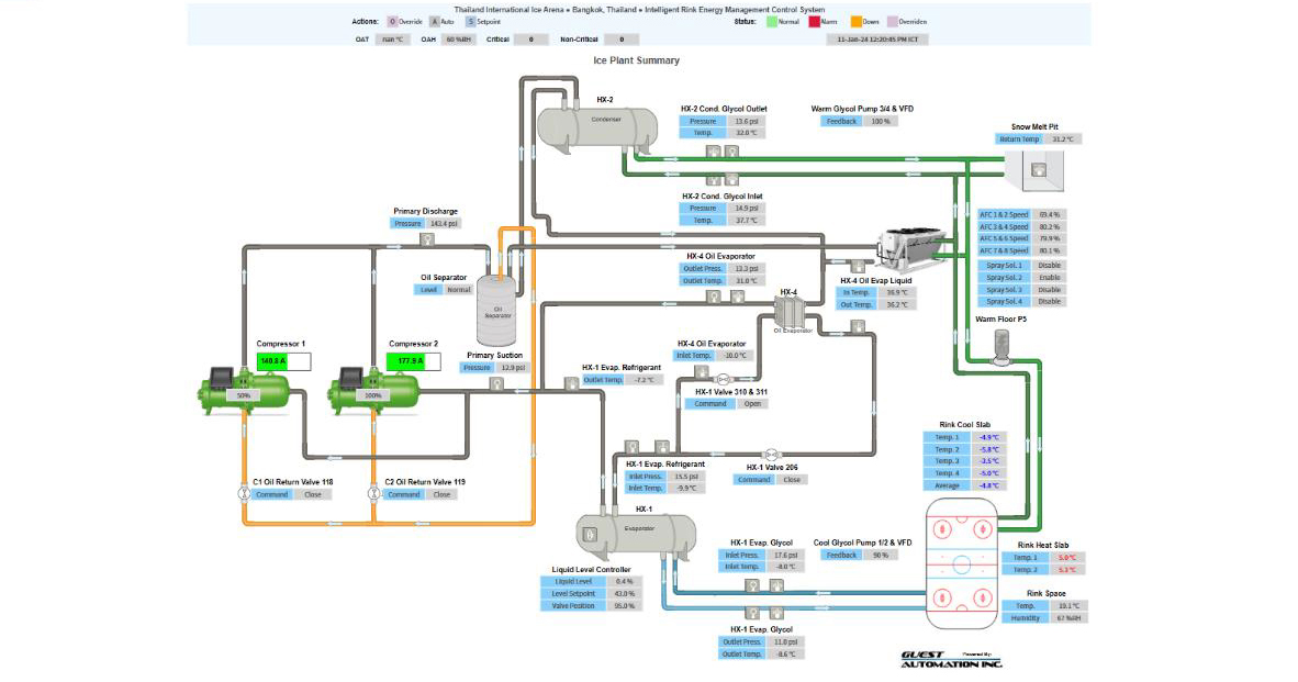
24/7 Remote Monitoring
With full remote capabilities, our team can monitor your facility around the clock, adjusting settings and responding to alerts as needed.
-
Open Web-Based Automation
This feature enables online management and real-time equipment monitoring, ensuring that all aspects of the facility are operating efficiently.
-
Advanced Notifications
Real-time graphics and alarm notices inform authorised personnel of any issues immediately, allowing for swift resolution.
Expert Services and Support
-
Mechanical and Preventive Maintenance:
To prevent downtime and extend the life of your equipment.
-
Service and Repairs
Prompt, efficient service repairs to maintain continuous operation.
-
Equipment Upgrades
For existing facilities looking to improve efficiency and performance with the latest technology.
Training and Operational Support
-
Operator Training
Comprehensive courses for operators to ensure they are well-versed in the latest ice rink technology and best practices.
-
Facility Operations Courses
These courses are designed to enhance your team's skill set, enabling them to manage the facility effectively.






